OM-Avloppspump (Korrisionsbeständig pump)

Med ett lätt fiberförstärkt plasthölje och huvudkåpa är pumpen nötnings- och korrosionsbeständig, vilket minimerar underhållet.

Teknisk data
  • ø Utlopp mm: 32mm
  • Typ av vätska: Avloppsvatten
  • Max. partikel hantering i mm: 10
  • Max. PH-värde: 4-10
  • Max. Kapacitet l/min: 185
  • Max. Lyfthöjd m: 7,50
  • Motoreffekt kW: 0,15
  • Fas / Spänning: 1-fas / 230V / 110V / 50Hz
Prestanda kurva
1 O
Specifikation
Model Colour code curve ø Utlopp mm Typ av vätska Max. partikel hantering i mm Max. PH-värde Max. Kapacitet l/min Max. Lyfthöjd m Motoreffekt kW Fas / Spänning
OM 32mm Avloppsvatten 10 4-10 185 7,50 0,15 1-fas / 230V / 110V / 50Hz
OMA   32mm Avloppsvatten 10 4-10 185 7,50 0,15 1-fas / 230V / 110V / 50Hz
ø Utlopp mm 32mm
Typ av vätska Avloppsvatten
Max. partikel hantering i mm 10
Max. PH-värde 4-10
Max. Kapacitet l/min 185
Max. Lyfthöjd m 7,50
Motoreffekt kW 0,15
Fas / Spänning 1-fas / 230V / 110V / 50Hz
ø Utlopp mm 32mm
Typ av vätska Avloppsvatten
Max. partikel hantering i mm 10
Max. PH-värde 4-10
Max. Kapacitet l/min 185
Max. Lyfthöjd m 7,50
Motoreffekt kW 0,15
Fas / Spänning 1-fas / 230V / 110V / 50Hz
Allmän
ø Utlopp mm 32mm
Utloppsanslutning Invändig gänga, fläns
Pumpande vätska
Typ av vätska Avloppsvatten
Temperatur 0-40°C
Max. partikel hantering i mm 10
Max. PH-värde 4-10
Max. Kapacitet l/min 185
Max. Lyfthöjd m 7,50
Pump
Komponenter
Impeller Vortex pumphjul
Kullager Skärmade kullager
Mekanisk tätning Dubbel mekanisk tätning i oljebad
Material
Impeller Glasfiberarmerad plast
Hölje Glasfiberarmerad plast
Pumpkropp Rostfritt stål EN-X5CrNi18-10
Mekanisk tätning Kiselkarbid
Motor
Motoreffekt kW 0,15
Startmetod kondensator
Typ, poler Induktionsmotor, 2 poler, IP68
Isolering Isoleringsklass E
Fas / Spänning 1-fas / 230V / 110V / 50Hz
Varvtal 2852
Motorskydd (inbyggt) Miniatyrskydd
Märkström 1,65
Material
Mantel Rostfritt stål EN-X5CrNi18-10
Axel Rostfritt stål EN-X5CrNiMo17-12-2
Kabel H07RN8-F 3C*1,0mm²
Kabellängd 10m
Övrigt
Torrvikt Kg 5.10 - 5.30
Tryckmotstånd max. 20m
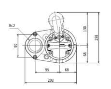
Dimension i mm
W1: lägsta vattennivå vid körning
  • OMA
W1: lägsta vattennivå vid körning
  • OM

OM-serien är en dränkbar semi-virvelpump designad för hantering av hushållsavloppsvatten och vätska som transporterar små fasta ämnen. Semi-virvelpumpens design med måttlig passage av fasta ämnen ger effektiv prestanda för mångsidiga applikationer. Flytande paraffin används för smörjoljan, vilket vidgar pumpens applikation till dekorativa vattenfall, fiskdammar, vattenbruk, etc.

Oljesensor TSS-TEG-08
TSS-oljesensor M8 (10m)

Externt monterade läckagesensorer för vattendetektering inuti oljekammaren. Observera att ett extra relä, t.ex. en sökare, måste installeras.

Vippa 106-TEG-03
Vippa 10m (för avloppspumpar) upp till 2,2kW

Automatisk drift: Aktiverar den dränkbara pumpen när vattennivån stiger till en förinställd höjd och avaktiverar den när nivåerna sjunker, vilket förhindrar överfyllning eller pumpskador.

Motorskyddshandske 56103000tu
Motorskyddskontakt 230V med handautomatik (på-av)
Specifikationer
Amperekontroll 3,0A
Kabelgenomföring 2x M16
IP-adress 44

Brytare: AV-PÅ (0-I) skydd 3A 2x kabelgenomföringar M16, för användning av extern flottörbrytare Överbelastningsskydd: Kopplar automatiskt bort motorn vid för hög strömförbrukning, vilket förhindrar överhettning och skador.
Oljesensor TSS-TEG-08
TSS-oljesensor M8 (10m)

Externt monterade läckagesensorer för vattendetektering inuti oljekammaren. Observera att ett extra relä, t.ex. en sökare, måste installeras.

Vippa 106-000-11
Nivåstyrning

Automatisk drift: Aktiverar den dränkbara pumpen när vattennivån stiger till en förinställd höjd och avaktiverar den när nivåerna sjunker, vilket förhindrar överfyllning eller pumpskador.

Vippa 106-TEG-03
Vippa 10m (för avloppspumpar) upp till 2,2kW

Automatisk drift: Aktiverar den dränkbara pumpen när vattennivån stiger till en förinställd höjd och avaktiverar den när nivåerna sjunker, vilket förhindrar överfyllning eller pumpskador.

Motorskyddshandske 56103000tu
Motorskyddskontakt 230V med handautomatik (på-av)
Specifikationer
Amperekontroll 3,0A
Kabelgenomföring 2x M16
IP-adress 44

Brytare: AV-PÅ (0-I) skydd 3A 2x kabelgenomföringar M16, för användning av extern flottörbrytare Överbelastningsskydd: Kopplar automatiskt bort motorn vid för hög strömförbrukning, vilket förhindrar överhettning och skador.